欢迎访问山东鸢宝电子科技有限公司官方网站!服务热线:0536-2222119 ◆ 返回首页◆ 在线订购◆ 联系我们
消防应急照明和疏散指示系统
EPS应急电源、智慧消防物联网系统
消防设备电源监控系统、故障电弧保护器
全国24小时咨询热线

0536-2222119

infomation
当前位置当前位置: 网站首页   -   9路智能照明控制模块
联系电话咨询电话:0536-2222119
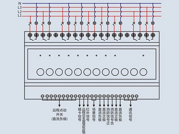
9路智能照明控制模块

9路智能照明控制模块

0536-2222119
山东鸢宝电子科技有限公司
山东省潍坊市寒亭区泰祥街与新华路交叉口中南高科·鸢都汇智产业园75号楼
2021-5-26 1919

信息详情

相关产品